一、前言
直流充电桩是新能源汽车直流充电桩的简称,一般也被叫做“快充”。直流充电桩一般与交流电网连接,可作为非车载电动汽车的动力补充,是一种直流工作电源的电源控制装置,可以提供充足的电量,输出电压和电流可以连续调节,可有效实现快速充电的要求。
据中国充电联盟发布的《2021 中国电动汽车用户充电行为白皮书》,直流充电桩已成为 99.3%用户的首选,因此直流充电桩面临较大的需求缺口,未来有望提速发展。

二、产品组成及应用场所
直流充电桩通常由充电机主机、电源部分、充电接口、显示屏、辅助设备这五部分组成。一般来说,直流充电桩可分为分体式和一体式两种类型。
直流充电桩是直接输出直流电给车载电池进行充电,充电效率高、时间短、功率较大( 60kW、120kW、200kW 甚至更高),故一般安装在公共充电站、停车场等公共场所。
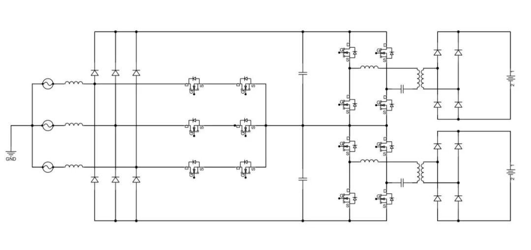
三、典型应用拓扑图

四、应用线路及选型
如上图所示:通过Vienna线路(三相PFC功率校正)对工频三相交流电进行整流(输出:400-800V),推荐使用瑞森半导体600V/650V的超结MOS系列:采用多层外延工艺,优化了元胞结构,可靠性高,一致性好,对标英飞凌C3、 P6、 P7系列产品,产品选型如下:

PFC功率校正整流后再通过DC/DC线路(三电平全桥)LLC谐振变换器(输出400-750V)对电池进行充电,推荐使用瑞森半导体650V/1200V的碳化硅(SiC) MOS系列:极低的门电荷(QG)、极低反向恢复的快速本征体二极管、可最大限度减少传导损失,提供卓越的开关性能和强大的雪崩能力;器件参数一致性好;高频率的运行、能让被动元器件做得更小,产品选型如下:

国内热线:188 2581 2467
海外热线:188 2589 8464
技术支持:188 2581 0427