一、前言
步进电机驱动器是一种用于控制步进电机运动的装置,它是将控制信号转换成步进电机可以识别的控制电压或电流的电路。它在工业自动化领域有着广泛的应用,如机器人、印刷机、木工机床、喷绘机等。步进电机驱动器的组成结构主要由以下部分:
1、步进电机是一种驱动装置,它可以将电能转换成精确的位移,是控制机械装置精确运动的重要元件。
2、步进电机驱动器的驱动电路是控制步进电机的重要部分,其主要由换流器、放大器、比较器、驱动电路等组成。
3、控制电路将外部的控制信号转换成步进电机可以识别的控制电压或电流,从而实现步进电机的控制。

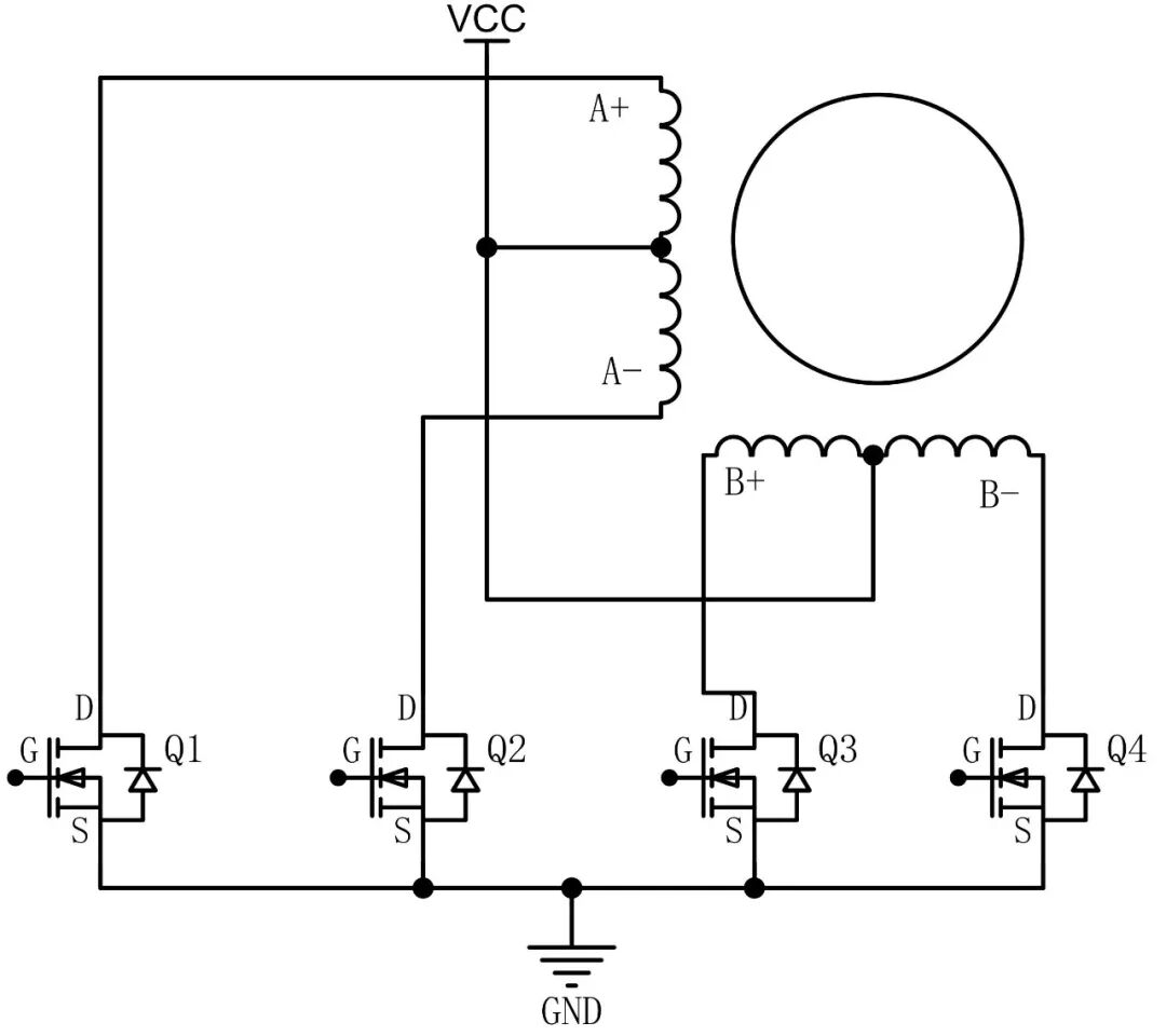
二、典型应用拓扑图

步进电机驱动电路使用N沟道功率MOS组成上下对管,常见的为2-4对MOS管,控制器通过接受步进电机的反馈,选择适当的开启时序,控制MOS的通断,完成换相,定位,调速等执行动作。
三、典型应用及选型推荐
针对步进电机驱动电路推荐使用瑞森半导体低压MOS-Trench系列,其优势:
Trench工艺,更小的Ronsp,串并联随意搭配。
低导通电阻,结电容适中,高效率,高可靠性。

国内热线:188 2581 2467
海外热线:188 2589 8464
技术支持:188 2581 0427