一、前言
电焊机是指为焊接提供一定特性的电源的电器,其工作原理:在接触到焊接物与被焊接物时,发生短路,短路产生高温电弧,将焊接物熔化,使得它们相互融合。电焊机分为家用焊机和工业焊机。
家庭型电焊机:为家庭实用性考虑设计,多以氩弧焊冷焊混合型为主,其特点:功率偏小、电源电压为220V。
工业型电焊机:为工业实用考虑设计,功率大、电源电压一般采用380V/220V两用。焊接范围广,可连续十几小时不停工作。高度的可靠性,强大的散热功能,确保设备能承受高负荷恶劣工况。
电焊机是由电源、变压器、整流器、输出电路和外壳等几个基本部分组成。

二、典型应用拓扑图
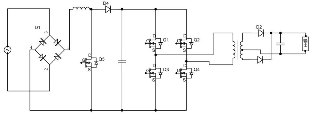
单相逆变线电路

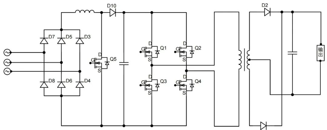
三相逆变线电路

三、典型应用及选型推荐
单相逆变线电路
在220V 输入前提下,采用单相逆变电路,推荐使用瑞森半导体高压MOS系列:
新型的横向变掺杂技术;
专有的功率MOS结构;
高温特性优良。

三相逆变线电路
输入电压由单相220V AC变成三相380V AC后,原用500V系列已经无法满足要求,推荐使用瑞森半导体超高压MOS系列:
损耗低,稳定性强;
较低的开关速度达到更好的EMI兼容性;
耐高压、大电流、可完全实现进口替代。

除了超高压MOS,三相逆变电路还可推荐选用1200V以上的碳化硅MOS系列来做开关管。
军工研究所实验室及CNAS实验室验证;
成功量产650V、1200V 、 1700V(国内领先);
具有竞争力的Ronsp,与1代产品相比,Ronsp减小20%,与2代产品相比更具竞争力。

国内热线:188 2581 2467
海外热线:188 2589 8464
技术支持:188 2581 0427